This HTW-31-F10BNT digital thermostat is designed to controls the fans, valves, dampers or electric heater in fan coil units and heating applications in industrial, commercial or residential environment.

Hotowell Bacnet FCU Thermostat HTW-31-F10B Series.pdf
>> General
This HTW-31-F10BNT digital thermostat is designed to controls the fans, valves, dampers or electric heater in fan coil units and heating applications in industrial, commercial or residential environment

>> Feature
• Attractive modern styling
• Adjustable heating/cooling/ventilating mode control
• Adjustable manual 3-speed and automatic fan speed control
• 4pipe system
• Bacnet
• Keycard(Optional)
• External sensor(Optional)
>> Specification
Power Supply - 230V 50/60Hz | Backlight - White |
Power Consumption - 1.5A | Sensor - NTC 10K, 3950ohms at 25℃ |
Set Point Range - 5~80℃ | Accuracy - + 1℃ (step control by +0.5℃) |
Ambient - 0~50℃ | Protection Class - IP30 |
Relative Humidity - 85% | Housing - ABS to UL94-5 fire retardantplastic |
>> Display And Keys

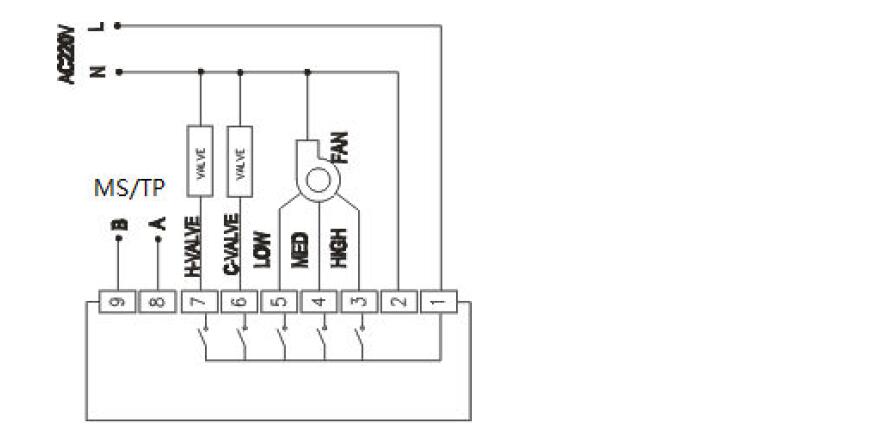
>> Wiring Diagram

>> Dimensions




Other similar Products: