The paddle type SPDT HFS-25 series is designed to provide excellent performance where accuracy, reliability, and rugged construction (IP54)are required used in liquid flow lines carrying water or any fluid neither harmful to brass and phosphor bronze nor classified as hazardous fluids.
The paddle type SPDT HFS-25 series is designed to provide excellent performance where accuracy, reliability, and rugged construction (IP54)are required used in liquid flow lines carrying water or any fluid neither harmful to brass and phosphor bronze nor classified as hazardous fluids.

>> Specification
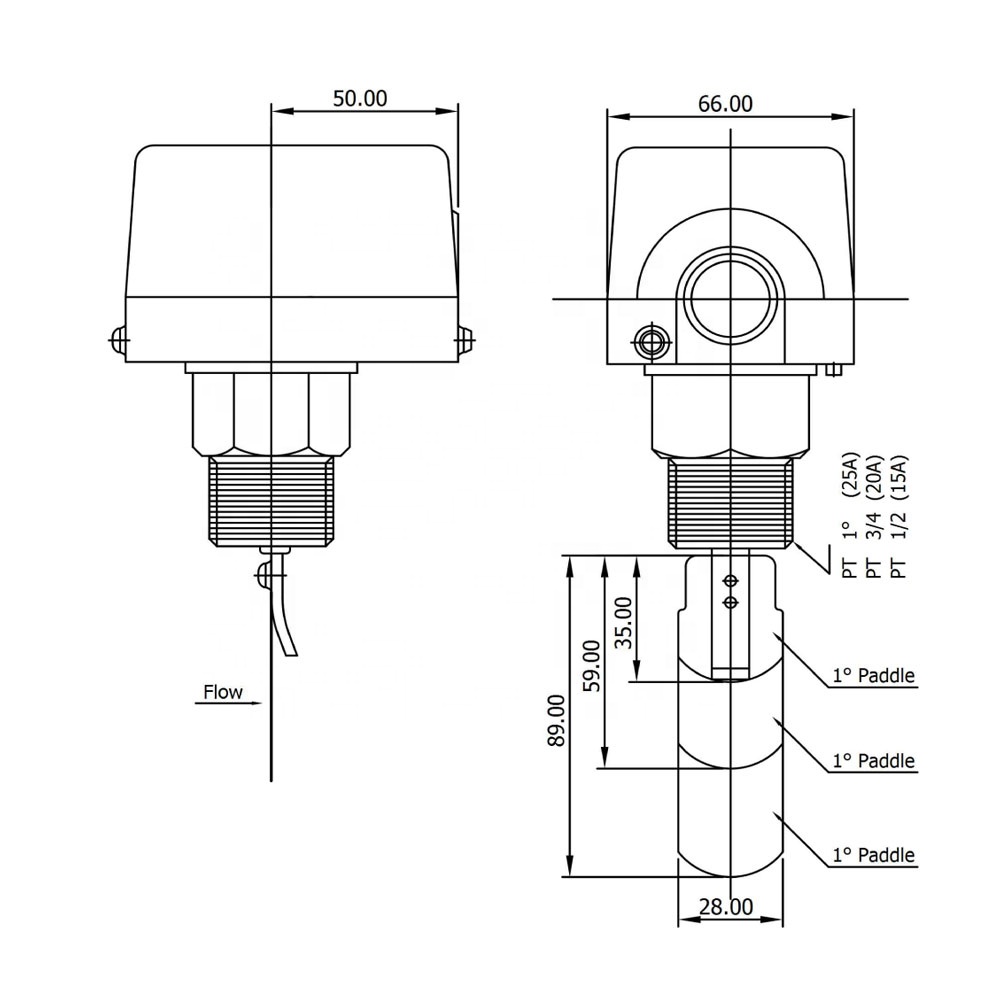
>> Dimensions
>> Application

