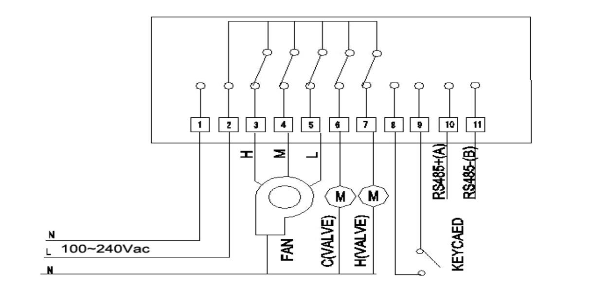
The digital thermostat is designed to control the fans, valves, dampers or electric heater in fan coil units and heating applications in industrial, commercial or residential buildings.
Simple Manual Control Horizontal button Programmable Logic Controller Thermostat Cooling AC
Features:
1; Attractive Morden Styling
2; Cooling Mode Control
3; 3 Speed/ one-fan Speed Control Selectable
4; 2Pipe System



