Home Products Hotowell Products Hotel Occupancy Detector HTW-ES6201 Temperature Lighting Dehumdification Controller
Hotel Occupancy Detector HTW-ES6201 Temperature Lighting Dehumdification Controller
Hotel Occupancy Detector HTW-ES6201 Temperature Lighting Dehumdification Controller Hotel Occupancy Detector HTW-ES6201 Temperature Lighting Dehumdification Controller Hotel Occupancy Detector HTW-ES6201 Temperature Lighting Dehumdification Controller Hotel Occupancy Detector HTW-ES6201 Temperature Lighting Dehumdification Controller Hotel Occupancy Detector HTW-ES6201 Temperature Lighting Dehumdification Controller

Hotel Occupancy Detector HTW-ES6201 Temperature Lighting Dehumdification Controller

Product ID : HTW-ES6201
Product Tags : Hotel Occupancy System
Product Attributes :

HTW-61-ES6201 is designed to control electrical consumption by detecting occupied/unoccupied presence, in order to connect/disconnect the air conditioning equipment and lighting automatically when the customer accesses or leaves the room.

Product Description
Product Description
>> General

HTW-61-ES6201 is designed to control electrical consumption by detecting occupied/unoccupied presence, in order to connect/disconnect the air conditioning equipment and lighting automatically when the customer accesses or leaves the room.
>> PIR presence detector operating algorithm

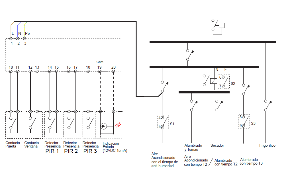
HTW-61-ES6201 has 1 input (E1) for a magnetic room contact placed on the doorframes of the room;
1 input (E2) for a magnetic window contact placed on the window frames.
3 inputs(E3,E4,E5) for PIR presence detectors.
When the door of the room is open, the energy saving system is activated instantly, and feed the following three outputs:
S1-Air-conditioning output with anti-humidity mode;
S2-Air-conditioning/Lighting output with delay time;
S3-Lighting output with delay time;
Once the door is closed, the system will try to determine if there is movement within 3s~T4 in the room
>> Wiring Diagram
Application
Packing & Delivery
Company Profile
FAQ
Online Inquiry