El termostato de la serie HTW-91-WT410 se usa ampliamente en estos entornos, como casas, edificios residenciales, escuelas, oficinas, etc., para lograr un objetivo ideal de temperatura ambiente. Se puede usar tanto en sistemas de calefacción como de refrigeración, normalmente podría integrarse con los siguientes equipos:
>Válvulas térmicas o válvulas de zona
>Calderas Combi
> Quemadores de gas o aceite
>Fans
> bombas
Touch Screen Wireless LCD Room Thermostat HTW-91-WT410.pdf
>> Resumen
El termostato de la serie HTW-91-WT410 se usa ampliamente en estos entornos, como casas, edificios residenciales, escuelas, oficinas, etc., para lograr un objetivo ideal de temperatura ambiente. Se puede usar tanto en sistemas de calefacción como de refrigeración, normalmente podría integrarse con los siguientes equipos:
>Válvulas térmicas o válvulas de zona
>Calderas Combi
> Quemadores de gas o aceite
>Fans
> bombas

>> Caracteristicas
> Hasta 5 modos de operación configurables:
Modo manual, automático (5 + 1 + 1 programable, 6 zonas horarias),
Comodidad, ahorro de energía y protección contra heladas
>Tamaño grande de la pantalla LCD: 80x55.8mm (3.15x2.20 '')
> Protección de voltaje de operación segura:
Panel de control: alimentado por baterías 2xAA
Receptor: voltaje de línea alimentado
>Frecuencia de RF opcional: 433 Hz (predeterminado), 846 Hz (opcional)

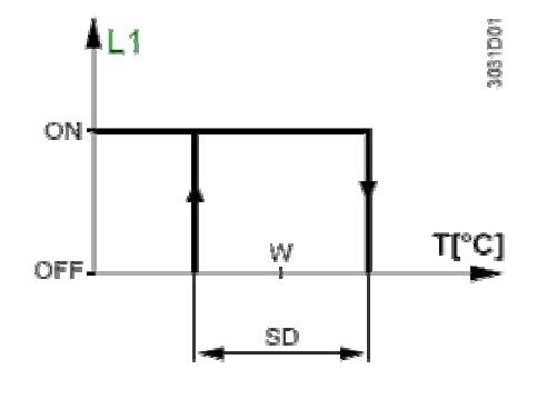
>> Algoritmo de funcionamiento
T Room Thermostat
SD Switching differential (1K)
W Room temperature setpoint
L1 Output Signal for Heating
>> Especificación
Casing Material | ABS & Acrylic |
LCD Backlight | 80x55.8mm(3.15x2.20’’) |
Power Supply | Controlling Panel: 3V DC(2 x AA1.5 V) Receiver:Line Voltage(110/220Vac +/- 10%, 50/60Hz) |
Current Load | 10A (Resistive) |
Ambient Temp. Range | 0~99.5℃ |
Set-point Range | 5~45 ℃/41℉~113℉ (Comfort Mode) 5~45 ℃/41℉~113℉ (Energy Saving Mode) 5 ℃~15℃ /41℉ ~59℉ (Frost Protection) |
Accuracy/Tolerance | +/-0.5℃ |
Timing Tolerance | <1% |
NTC Thermistor | 10KΩ@25 ℃ |
Storage Conditions Temperature | -10~60 ℃ |
Humidity | < 90% r.h. |
Battery Life | 12 months |
RF Module | Semi-duplex Module |
RF Frequency | 433 Hz(Default) , 846 Hz(Optional) |
nConfiguración de las sugerencias de respaldo de datos:
Los puntos de ajuste y otros parámetros se pueden retener cuando se reemplazan las baterías, excepto el ajuste de la hora (si reemplaza las baterías rápidamente, también se conserva el ajuste de la hora). Verifique y restablezca el tiempo si se perdió.


