HTW-FC08-4KN serie Modbus termostato fan coil está diseñado con 3 velocidad del ventilador + 1 válvula de frío + 1 válvula de calor + Keycard + funciones de comunicación Modbus, es ampliamente utilizado en estos entornos como hogares, edificios residenciales, escuelas, hoteles, hospitales, oficinas y etc para el propósito principal de una temperatura ambiente ideal.
Product Description
Sensor Keycard de 2 tubos y 4 tubos FC08 Termostato de la unidad Fan Coil para el modo de ocupación de la vivienda
HTW-FC08-4KN serie Modbus termostato fan coil está diseñado con 3 velocidad del ventilador + 1 válvula de frío + 1 válvula de calor + Keycard + funciones de comunicación Modbus, es ampliamente utilizado en estos entornos como hogares, edificios residenciales, escuelas, hoteles, hospitales, oficinas y etc para el propósito principal de una temperatura ambiente ideal.



>> Technical Parameter

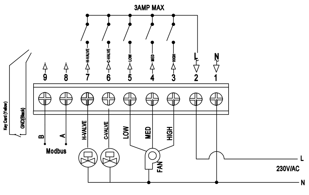
>>Typical wiring disgram

Details


Packing & Delivery


FAQ
